
Hire Electrical Drafting And Design Services For Your Company

Drawings Deepthi Enterprises Builders Designers Building

Infrastructure Architectural Draftsman 9 Years Experience 5 Years


Autocad Civil Electrical Exercises 4 Pdf Free Download

Architectural Design Ar Engineer Engineering Firm Civil

Products Services Wholesale Trader From Mumbai

Archisoup Architecture Electrical Symbols Jpg Electrical Symbols

Working Drawing Designing Buildings Wiki

Kompas Graphic

5 Types Of Construction Drawings Used In Commercial Construction
Wiring Electrical Drawing
Vector Clipart Engineering Symbols Manufacturing Civil Chip

Civil Engineering Drawing Symbols And Their Meanings At

Layers Autocad 2018 Autodesk Knowledge Network

Complete Submission Drawings Civil Electrical Plumbing
Industrial Electrical Drawing

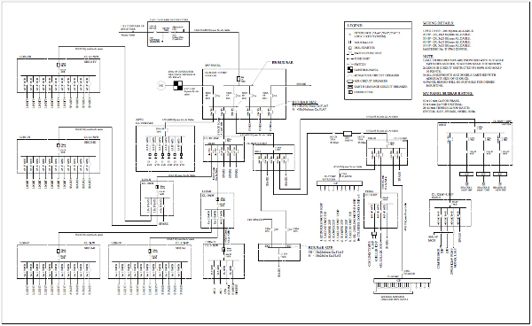
Notes In Preparation Of An Mv Lv Substation Civil Drawings And

Electrical Engineering Autocad Electrical Drawings Autocad